ЛАВА-сантехсистемы

КАЧЕСТВО ОПРЕДЕЛЯЕТ СОЗНАНИЕ

Каталог
По всему сайту
По каталогу
Каталог
Водопровод
Металлопластик и сшитый полиэтилен
Трубы PEX, PERT
Фитинги
Аксиальные системы
Нержавеющая сталь
Гофрированная
Пресс
ПНД
Трубы
Фитинги
Полипропилен
Трубы
Фитинги
Фланцевые соединения
Шаровые краны
Трубная изоляция
Отопление
Водонагреватели
Накопительные электрические
ТЭНы
Проточные
Коллекторы
Коллекторы латунь
Коллекторы нерж.сталь
Комплектующие для коллекторов
Шкафы для коллекторов
Радиаторы отопления
Панельные радиаторы
Алюминиевые радиаторы
Биметаллические радиаторы
Комплектующие для радиаторов
Радиаторная арматура
Расширительные баки
Для водоснабжения
Для отопления
Крепления для баков
Теплый пол
Маты для теплого пола
Труба для теплого пола
Теплоносители
Канализация
Канализация бесшумная
Канализация внутренняя
Канализация наружная
Трапы
Шумоизоляция
Автоматика
ZONT
Балансировочные клапаны
Воздухоотводчики
Группы безопасности
Защита от протечек
Зональные клапаны
Компоненты гелиосистем
Предохранительная арматура, клапаны
Редукторы давления
Сервоприводы
Система Умный дом
Смесительные клапаны для отопления и ГВС
Смесительные модули для теплого пола
Соленоидные клапаны
Термостаты
Техника быстрого монтажа котельной
Управляющая электроника
Герметики, уплотнительные материалы
Для резьбы
Монтажная пена
Прокладки
Разное
Герметики
Смазки
Гибкая подводка
Гибкая подводка для газа
Гибкая подводка для смесителей
Гибкая подводка для воды
Гибкая подводка для стиральных и посудомоечных машин
Запорно-регулирующая арматура
Вентили и термоклапаны
Воздушные клапаны
Гидрокомпенсаторы
Обратные клапаны
Редукторы давления
Фильтры грязевые
Шаровые краны
Крепеж
Зажимы пластиковые
Хомуты
Хомуты ремонтные
Хомуты силовые
Хомуты червячные
Консоли
Насосы
Дренажные
Насосные станции
Принадлежности для насосов
Циркуляционные
Канализационные установки бытовые
Повышения давления
Скважинные
Оборудование для монтажа
Инструмент сантехника
Ножницы, труборезы
Сварочные комплекты и насадки
Переходники
Бочата/ниппели
Заглушки
Контргайки
Крестовины
Муфты
Переходники
Разное
Соединители (американки)
Тройники
Уголки
Удлинители
Фланцы
Футорки
Штуцеры
Фитинги ремонтные
Приборы учета
Манометры и термометры
Счетчики воды
Сантехника
Ванны и санфаянс
Ванны
Запчасти и аксессуары для подключения
Раковины и пьедесталы
Унитазы
Водоотводящие желоба
Инсталляции
Полотенцесушители
Комплектующие
Лесенки
М-образные
Форстроты
Краны
Электрические
Сифоны
Для ванн
Для душевого поддона
Для моек
Для писсуаров и бидэ
Для стиральных, п/м машин и кондиционеров
Для умывальников
Гибкие и фановые соединения
Смесители и душевые системы
Душевые системы
Комплектующие для смесителей
Смесители
Мебель для ванной комнаты
Аксессуары
Фильтры для воды
Корпуса фильтров
Сетчатые фильтры
Системы водоочистки
Фильтрующие элементы
Керамогранит
Керамогранит 600*1200
Керамогранит 600*600
Распродажа
Ванны
Душевые углы и двери
Коллекторы
Фитинги самофиксирующиеся
Новости
Услуги
Покраска радиаторов
Покраска радиаторов
Доставка товара по Нижнему Новгороду
Доставка по городу
Дизайн Радиаторы Velar
Дизайн Радиаторы Velar
Бренды
Как купить
Условия оплаты
Условия доставки
Гарантия на товар
Компания
О компании
Новости
Контакты
Контакты
+7 (831) 469-05-06
+7 (831) 469-05-06Н.Новгород, ул. Ошарская, 80
+7 (831) 463-29-49Н.Новгород, ул. Кащенко, 3
Заказать звонок
Задать вопрос
Войти
  • Корзина0
  • Избранные товары0
  • Сравнение товаров0
lava@lava-nn.ru
г. Нижний Новгород, ул. Ошарская, 80
г. Нижний Новгород, ул. Кащенко, 3
  • Вконтакте
  • Telegram
  • WhatsApp
  • Новости
  • О нас
  • Как купить
  • Контакты
  • Услуги
  • ...
    Войти
    ЛАВА-сантехсистемы

    КАЧЕСТВО ОПРЕДЕЛЯЕТ СОЗНАНИЕ

    Каталог
    По всему сайту
    По каталогу
    +7 (831) 469-05-06
    +7 (831) 469-05-06Н.Новгород, ул. Ошарская, 80
    +7 (831) 463-29-49Н.Новгород, ул. Кащенко, 3
    Сравнение0
    Избранные товары 0
    Корзина 0
    • Водопровод
      Водопровод
      • Металлопластик и сшитый полиэтилен Металлопластик и сшитый полиэтилен
        • Трубы PEX, PERT
        • Фитинги
        • Аксиальные системы
      • Нержавеющая сталь Нержавеющая сталь
        • Гофрированная
        • Пресс
      • ПНД ПНД
        • Трубы
        • Фитинги
      • Полипропилен Полипропилен
        • Трубы
        • Фитинги
        • Фланцевые соединения
        • Шаровые краны
      • Трубная изоляция Трубная изоляция
    • Отопление
      Отопление
      • Водонагреватели Водонагреватели
        • Накопительные электрические
        • ТЭНы
        • Проточные
      • Коллекторы Коллекторы
        • Коллекторы латунь
        • Коллекторы нерж.сталь
        • Комплектующие для коллекторов
        • Шкафы для коллекторов
      • Радиаторы отопления Радиаторы отопления
        • Панельные радиаторы
        • Алюминиевые радиаторы
        • Биметаллические радиаторы
        • Комплектующие для радиаторов
        • Радиаторная арматура
      • Расширительные баки Расширительные баки
        • Для водоснабжения
        • Для отопления
        • Крепления для баков
      • Теплый пол Теплый пол
        • Маты для теплого пола
        • Труба для теплого пола
      • Теплоносители Теплоносители
    • Канализация
      Канализация
      • Канализация бесшумная Канализация бесшумная
      • Канализация внутренняя Канализация внутренняя
      • Канализация наружная Канализация наружная
      • Трапы Трапы
      • Шумоизоляция Шумоизоляция
    • Автоматика
      Автоматика
      • ZONT ZONT
      • Балансировочные клапаны Балансировочные клапаны
      • Воздухоотводчики Воздухоотводчики
      • Группы безопасности Группы безопасности
      • Защита от протечек Защита от протечек
      • Зональные клапаны Зональные клапаны
      • Компоненты гелиосистем Компоненты гелиосистем
      • Предохранительная арматура, клапаны Предохранительная арматура, клапаны
      • Редукторы давления Редукторы давления
      • Сервоприводы Сервоприводы
      • Система Умный дом Система Умный дом
      • Смесительные клапаны для отопления и ГВС Смесительные клапаны для отопления и ГВС
      • Смесительные модули для теплого пола Смесительные модули для теплого пола
      • Соленоидные клапаны Соленоидные клапаны
      • Термостаты Термостаты
      • Техника быстрого монтажа котельной Техника быстрого монтажа котельной
      • Управляющая электроника Управляющая электроника
    • Герметики, уплотнительные материалы
      Герметики, уплотнительные материалы
      • Для резьбы Для резьбы
      • Монтажная пена Монтажная пена
      • Прокладки Прокладки
      • Разное Разное
      • Герметики Герметики
      • Смазки Смазки
    • Гибкая подводка
      Гибкая подводка
      • Гибкая подводка для газа Гибкая подводка для газа
      • Гибкая подводка для смесителей Гибкая подводка для смесителей
      • Гибкая подводка для воды Гибкая подводка для воды
      • Гибкая подводка для стиральных и посудомоечных машин Гибкая подводка для стиральных и посудомоечных машин
    • Запорно-регулирующая арматура
      Запорно-регулирующая арматура
      • Вентили и термоклапаны Вентили и термоклапаны
      • Воздушные клапаны Воздушные клапаны
      • Гидрокомпенсаторы Гидрокомпенсаторы
      • Обратные клапаны Обратные клапаны
      • Редукторы давления Редукторы давления
      • Фильтры грязевые Фильтры грязевые
      • Шаровые краны Шаровые краны
    • Крепеж
      Крепеж
      • Зажимы пластиковые Зажимы пластиковые
      • Хомуты Хомуты
      • Хомуты ремонтные Хомуты ремонтные
      • Хомуты силовые Хомуты силовые
      • Хомуты червячные Хомуты червячные
      • Консоли Консоли
    • Насосы
      Насосы
      • Дренажные Дренажные
      • Насосные станции Насосные станции
      • Принадлежности для насосов Принадлежности для насосов
      • Циркуляционные Циркуляционные
      • Канализационные установки бытовые Канализационные установки бытовые
      • Повышения давления Повышения давления
      • Скважинные Скважинные
    • Оборудование для монтажа
      Оборудование для монтажа
      • Инструмент сантехника Инструмент сантехника
      • Ножницы, труборезы Ножницы, труборезы
      • Сварочные комплекты и насадки Сварочные комплекты и насадки
    • Переходники
      Переходники
      • Бочата/ниппели Бочата/ниппели
      • Заглушки Заглушки
      • Контргайки Контргайки
      • Крестовины Крестовины
      • Муфты Муфты
      • Переходники Переходники
      • Разное Разное
      • Соединители (американки) Соединители (американки)
      • Тройники Тройники
      • Уголки Уголки
      • Удлинители Удлинители
      • Фланцы Фланцы
      • Футорки Футорки
      • Штуцеры Штуцеры
      • Фитинги ремонтные Фитинги ремонтные
    • Приборы учета
      Приборы учета
      • Манометры и термометры Манометры и термометры
      • Счетчики воды Счетчики воды
    • Сантехника
      Сантехника
      • Ванны и санфаянс Ванны и санфаянс
        • Ванны
        • Запчасти и аксессуары для подключения
        • Раковины и пьедесталы
        • Унитазы
      • Водоотводящие желоба Водоотводящие желоба
      • Инсталляции Инсталляции
      • Полотенцесушители Полотенцесушители
        • Комплектующие
        • Лесенки
        • М-образные
        • Форстроты
        • Краны
        • Электрические
      • Сифоны Сифоны
        • Для ванн
        • Для душевого поддона
        • Для моек
        • Для писсуаров и бидэ
        • Для стиральных, п/м машин и кондиционеров
        • Для умывальников
        • Гибкие и фановые соединения
      • Смесители и душевые системы Смесители и душевые системы
        • Душевые системы
        • Комплектующие для смесителей
        • Смесители
      • Мебель для ванной комнаты Мебель для ванной комнаты
        • Аксессуары
    • Фильтры для воды
      Фильтры для воды
      • Корпуса фильтров Корпуса фильтров
      • Сетчатые фильтры Сетчатые фильтры
      • Системы водоочистки Системы водоочистки
      • Фильтрующие элементы Фильтрующие элементы
    • Керамогранит
      Керамогранит
      • Керамогранит 600*1200 Керамогранит 600*1200
      • Керамогранит 600*600 Керамогранит 600*600
    • Распродажа
      Распродажа
      • Ванны Ванны
      • Душевые углы и двери Душевые углы и двери
      • Коллекторы Коллекторы
      • Фитинги самофиксирующиеся Фитинги самофиксирующиеся
    ЛАВА-сантехсистемы
    Каталог
    • Водопровод
      Водопровод
      • Металлопластик и сшитый полиэтилен
        • Трубы PEX, PERT
        • Фитинги
        • Аксиальные системы
      • Нержавеющая сталь
        • Гофрированная
        • Пресс
      • ПНД
        • Трубы
        • Фитинги
      • Полипропилен
        • Трубы
        • Фитинги
        • Фланцевые соединения
        • Шаровые краны
      • Трубная изоляция
    • Отопление
      Отопление
      • Водонагреватели
        • Накопительные электрические
        • ТЭНы
        • Проточные
      • Коллекторы
        • Коллекторы латунь
        • Коллекторы нерж.сталь
        • Комплектующие для коллекторов
        • Шкафы для коллекторов
      • Радиаторы отопления
        • Панельные радиаторы
        • Алюминиевые радиаторы
        • Биметаллические радиаторы
        • Комплектующие для радиаторов
        • Радиаторная арматура
      • Расширительные баки
        • Для водоснабжения
        • Для отопления
        • Крепления для баков
      • Теплый пол
        • Маты для теплого пола
        • Труба для теплого пола
      • Теплоносители
    • Канализация
      Канализация
      • Канализация бесшумная
      • Канализация внутренняя
      • Канализация наружная
      • Трапы
      • Шумоизоляция
    • Автоматика
      Автоматика
      • ZONT
      • Балансировочные клапаны
      • Воздухоотводчики
      • Группы безопасности
      • Защита от протечек
      • Зональные клапаны
      • Компоненты гелиосистем
      • Предохранительная арматура, клапаны
      • Редукторы давления
      • Сервоприводы
      • Система Умный дом
      • Смесительные клапаны для отопления и ГВС
      • Смесительные модули для теплого пола
      • Соленоидные клапаны
      • Термостаты
      • Техника быстрого монтажа котельной
      • Управляющая электроника
      • +  ЕЩЕ 7
    • Герметики, уплотнительные материалы
      Герметики, уплотнительные материалы
      • Для резьбы
      • Монтажная пена
      • Прокладки
      • Разное
      • Герметики
      • Смазки
    • Гибкая подводка
      Гибкая подводка
      • Гибкая подводка для газа
      • Гибкая подводка для смесителей
      • Гибкая подводка для воды
      • Гибкая подводка для стиральных и посудомоечных машин
    • Запорно-регулирующая арматура
      Запорно-регулирующая арматура
      • Вентили и термоклапаны
      • Воздушные клапаны
      • Гидрокомпенсаторы
      • Обратные клапаны
      • Редукторы давления
      • Фильтры грязевые
      • Шаровые краны
    • Крепеж
      Крепеж
      • Зажимы пластиковые
      • Хомуты
      • Хомуты ремонтные
      • Хомуты силовые
      • Хомуты червячные
      • Консоли
    • Насосы
      Насосы
      • Дренажные
      • Насосные станции
      • Принадлежности для насосов
      • Циркуляционные
      • Канализационные установки бытовые
      • Повышения давления
      • Скважинные
    • Оборудование для монтажа
      Оборудование для монтажа
      • Инструмент сантехника
      • Ножницы, труборезы
      • Сварочные комплекты и насадки
    • Переходники
      Переходники
      • Бочата/ниппели
      • Заглушки
      • Контргайки
      • Крестовины
      • Муфты
      • Переходники
      • Разное
      • Соединители (американки)
      • Тройники
      • Уголки
      • Удлинители
      • Фланцы
      • Футорки
      • Штуцеры
      • Фитинги ремонтные
      • +  ЕЩЕ 5
    • Приборы учета
      Приборы учета
      • Манометры и термометры
      • Счетчики воды
    • Сантехника
      Сантехника
      • Ванны и санфаянс
        • Ванны
        • Запчасти и аксессуары для подключения
        • Раковины и пьедесталы
        • Унитазы
      • Водоотводящие желоба
      • Инсталляции
      • Полотенцесушители
        • Комплектующие
        • Лесенки
        • М-образные
        • Форстроты
        • Краны
        • Электрические
      • Сифоны
        • Для ванн
        • Для душевого поддона
        • Для моек
        • Для писсуаров и бидэ
        • Для стиральных, п/м машин и кондиционеров
        • Для умывальников
        • Гибкие и фановые соединения
      • Смесители и душевые системы
        • Душевые системы
        • Комплектующие для смесителей
        • Смесители
      • Мебель для ванной комнаты
        • Аксессуары
    • Фильтры для воды
      Фильтры для воды
      • Корпуса фильтров
      • Сетчатые фильтры
      • Системы водоочистки
      • Фильтрующие элементы
    • Керамогранит
      Керамогранит
      • Керамогранит 600*1200
      • Керамогранит 600*600
    • Распродажа
      Распродажа
      • Ванны
      • Душевые углы и двери
      • Коллекторы
      • Фитинги самофиксирующиеся
    Новости
    Услуги
    • Покраска радиаторов
      • Покраска радиаторов
    • Доставка товара по Нижнему Новгороду
      • Доставка по городу
    • Дизайн Радиаторы Velar
      • Дизайн Радиаторы Velar
    Бренды
    Как купить
    • Условия оплаты
    • Условия доставки
    • Гарантия на товар
    Компания
    • О компании
    • Новости
    • Контакты
    Контакты
    +  ЕЩЕ
      Сравнение0 Избранные товары 0 Корзина 0
      ЛАВА-сантехсистемы
      Телефоны
      +7 (831) 469-05-06Н.Новгород, ул. Ошарская, 80
      +7 (831) 463-29-49Н.Новгород, ул. Кащенко, 3
      • Каталог
        • Назад
        • Каталог
        • Водопровод Водопровод
          • Назад
          • Водопровод
          • Металлопластик и сшитый полиэтилен Металлопластик и сшитый полиэтилен
            • Назад
            • Металлопластик и сшитый полиэтилен
            • Трубы PEX, PERT Трубы PEX, PERT
            • Фитинги Фитинги
            • Аксиальные системы Аксиальные системы
          • Нержавеющая сталь Нержавеющая сталь
            • Назад
            • Нержавеющая сталь
            • Гофрированная Гофрированная
            • Пресс Пресс
          • ПНД ПНД
            • Назад
            • ПНД
            • Трубы Трубы
            • Фитинги Фитинги
          • Полипропилен Полипропилен
            • Назад
            • Полипропилен
            • Трубы Трубы
            • Фитинги Фитинги
            • Фланцевые соединения Фланцевые соединения
            • Шаровые краны Шаровые краны
          • Трубная изоляция Трубная изоляция
        • Отопление Отопление
          • Назад
          • Отопление
          • Водонагреватели Водонагреватели
            • Назад
            • Водонагреватели
            • Накопительные электрические Накопительные электрические
            • ТЭНы ТЭНы
            • Проточные Проточные
          • Коллекторы Коллекторы
            • Назад
            • Коллекторы
            • Коллекторы латунь Коллекторы латунь
            • Коллекторы нерж.сталь
            • Комплектующие для коллекторов
            • Шкафы для коллекторов
          • Радиаторы отопления Радиаторы отопления
            • Назад
            • Радиаторы отопления
            • Панельные радиаторы Панельные радиаторы
            • Алюминиевые радиаторы Алюминиевые радиаторы
            • Биметаллические радиаторы Биметаллические радиаторы
            • Комплектующие для радиаторов Комплектующие для радиаторов
            • Радиаторная арматура Радиаторная арматура
          • Расширительные баки Расширительные баки
            • Назад
            • Расширительные баки
            • Для водоснабжения Для водоснабжения
            • Для отопления Для отопления
            • Крепления для баков Крепления для баков
          • Теплый пол Теплый пол
            • Назад
            • Теплый пол
            • Маты для теплого пола Маты для теплого пола
            • Труба для теплого пола Труба для теплого пола
          • Теплоносители Теплоносители
        • Канализация Канализация
          • Назад
          • Канализация
          • Канализация бесшумная Канализация бесшумная
          • Канализация внутренняя Канализация внутренняя
          • Канализация наружная Канализация наружная
          • Трапы Трапы
          • Шумоизоляция Шумоизоляция
        • Автоматика Автоматика
          • Назад
          • Автоматика
          • ZONT ZONT
          • Балансировочные клапаны Балансировочные клапаны
          • Воздухоотводчики Воздухоотводчики
          • Группы безопасности Группы безопасности
          • Защита от протечек Защита от протечек
          • Зональные клапаны Зональные клапаны
          • Компоненты гелиосистем Компоненты гелиосистем
          • Предохранительная арматура, клапаны Предохранительная арматура, клапаны
          • Редукторы давления Редукторы давления
          • Сервоприводы Сервоприводы
          • Система Умный дом Система Умный дом
          • Смесительные клапаны для отопления и ГВС Смесительные клапаны для отопления и ГВС
          • Смесительные модули для теплого пола Смесительные модули для теплого пола
          • Соленоидные клапаны Соленоидные клапаны
          • Термостаты Термостаты
          • Техника быстрого монтажа котельной Техника быстрого монтажа котельной
          • Управляющая электроника Управляющая электроника
        • Герметики, уплотнительные материалы Герметики, уплотнительные материалы
          • Назад
          • Герметики, уплотнительные материалы
          • Для резьбы Для резьбы
          • Монтажная пена Монтажная пена
          • Прокладки Прокладки
          • Разное Разное
          • Герметики Герметики
          • Смазки Смазки
        • Гибкая подводка Гибкая подводка
          • Назад
          • Гибкая подводка
          • Гибкая подводка для газа Гибкая подводка для газа
          • Гибкая подводка для смесителей Гибкая подводка для смесителей
          • Гибкая подводка для воды Гибкая подводка для воды
          • Гибкая подводка для стиральных и посудомоечных машин Гибкая подводка для стиральных и посудомоечных машин
        • Запорно-регулирующая арматура Запорно-регулирующая арматура
          • Назад
          • Запорно-регулирующая арматура
          • Вентили и термоклапаны Вентили и термоклапаны
          • Воздушные клапаны Воздушные клапаны
          • Гидрокомпенсаторы Гидрокомпенсаторы
          • Обратные клапаны Обратные клапаны
          • Редукторы давления Редукторы давления
          • Фильтры грязевые Фильтры грязевые
          • Шаровые краны Шаровые краны
        • Крепеж Крепеж
          • Назад
          • Крепеж
          • Зажимы пластиковые Зажимы пластиковые
          • Хомуты Хомуты
          • Хомуты ремонтные Хомуты ремонтные
          • Хомуты силовые Хомуты силовые
          • Хомуты червячные Хомуты червячные
          • Консоли Консоли
        • Насосы Насосы
          • Назад
          • Насосы
          • Дренажные Дренажные
          • Насосные станции Насосные станции
          • Принадлежности для насосов Принадлежности для насосов
          • Циркуляционные Циркуляционные
          • Канализационные установки бытовые Канализационные установки бытовые
          • Повышения давления Повышения давления
          • Скважинные Скважинные
        • Оборудование для монтажа Оборудование для монтажа
          • Назад
          • Оборудование для монтажа
          • Инструмент сантехника Инструмент сантехника
          • Ножницы, труборезы Ножницы, труборезы
          • Сварочные комплекты и насадки Сварочные комплекты и насадки
        • Переходники Переходники
          • Назад
          • Переходники
          • Бочата/ниппели Бочата/ниппели
          • Заглушки Заглушки
          • Контргайки Контргайки
          • Крестовины Крестовины
          • Муфты Муфты
          • Переходники Переходники
          • Разное Разное
          • Соединители (американки) Соединители (американки)
          • Тройники Тройники
          • Уголки Уголки
          • Удлинители Удлинители
          • Фланцы Фланцы
          • Футорки Футорки
          • Штуцеры Штуцеры
          • Фитинги ремонтные Фитинги ремонтные
        • Приборы учета Приборы учета
          • Назад
          • Приборы учета
          • Манометры и термометры Манометры и термометры
          • Счетчики воды Счетчики воды
        • Сантехника Сантехника
          • Назад
          • Сантехника
          • Ванны и санфаянс Ванны и санфаянс
            • Назад
            • Ванны и санфаянс
            • Ванны Ванны
            • Запчасти и аксессуары для подключения Запчасти и аксессуары для подключения
            • Раковины и пьедесталы Раковины и пьедесталы
            • Унитазы Унитазы
          • Водоотводящие желоба Водоотводящие желоба
          • Инсталляции Инсталляции
          • Полотенцесушители Полотенцесушители
            • Назад
            • Полотенцесушители
            • Комплектующие Комплектующие
            • Лесенки Лесенки
            • М-образные М-образные
            • Форстроты Форстроты
            • Краны Краны
            • Электрические Электрические
          • Сифоны Сифоны
            • Назад
            • Сифоны
            • Для ванн Для ванн
            • Для душевого поддона Для душевого поддона
            • Для моек Для моек
            • Для писсуаров и бидэ
            • Для стиральных, п/м машин и кондиционеров Для стиральных, п/м машин и кондиционеров
            • Для умывальников Для умывальников
            • Гибкие и фановые соединения Гибкие и фановые соединения
          • Смесители и душевые системы Смесители и душевые системы
            • Назад
            • Смесители и душевые системы
            • Душевые системы Душевые системы
            • Комплектующие для смесителей Комплектующие для смесителей
            • Смесители Смесители
          • Мебель для ванной комнаты Мебель для ванной комнаты
            • Назад
            • Мебель для ванной комнаты
            • Аксессуары Аксессуары
        • Фильтры для воды Фильтры для воды
          • Назад
          • Фильтры для воды
          • Корпуса фильтров Корпуса фильтров
          • Сетчатые фильтры Сетчатые фильтры
          • Системы водоочистки Системы водоочистки
          • Фильтрующие элементы Фильтрующие элементы
        • Керамогранит Керамогранит
          • Назад
          • Керамогранит
          • Керамогранит 600*1200 Керамогранит 600*1200
          • Керамогранит 600*600 Керамогранит 600*600
        • Распродажа Распродажа
          • Назад
          • Распродажа
          • Ванны Ванны
          • Душевые углы и двери Душевые углы и двери
          • Коллекторы Коллекторы
          • Фитинги самофиксирующиеся Фитинги самофиксирующиеся
      • Новости
      • Услуги
        • Назад
        • Услуги
        • Покраска радиаторов
          • Назад
          • Покраска радиаторов
          • Покраска радиаторов
        • Доставка товара по Нижнему Новгороду
          • Назад
          • Доставка товара по Нижнему Новгороду
          • Доставка по городу
        • Дизайн Радиаторы Velar
          • Назад
          • Дизайн Радиаторы Velar
          • Дизайн Радиаторы Velar
      • Бренды
      • Как купить
        • Назад
        • Как купить
        • Условия оплаты
        • Условия доставки
        • Гарантия на товар
      • Компания
        • Назад
        • Компания
        • О компании
        • Новости
        • Контакты
      • Контакты
      • Личный кабинет
      • Корзина0
      • Избранные товары0
      • Сравнение товаров0
      • +7 (831) 469-05-06Н.Новгород, ул. Ошарская, 80
        • Назад
        • Телефоны
        • +7 (831) 469-05-06Н.Новгород, ул. Ошарская, 80
        • +7 (831) 463-29-49Н.Новгород, ул. Кащенко, 3
      Контактная информация
      г. Нижний Новгород, ул. Ошарская, 80
      г. Нижний Новгород, ул. Кащенко, 3
      lava@lava-nn.ru
      • Вконтакте
      • Telegram
      • WhatsApp

      Защита от протечек

      19
      Главная
      —
      Каталог
      —
      Автоматика
      ВодопроводОтоплениеКанализацияГерметики, уплотнительные материалыГибкая подводкаЗапорно-регулирующая арматураКрепежНасосыОборудование для монтажаПереходникиПриборы учетаСантехникаФильтры для водыКерамогранитРаспродажа
      —
      Защита от протечек
      Редукторы давленияУправляющая электроникаТехника быстрого монтажа котельнойТермостатыСоленоидные клапаныСмесительные модули для теплого полаСмесительные клапаны для отопления и ГВССистема Умный домСервоприводыZONTПредохранительная арматура, клапаныКомпоненты гелиосистемЗональные клапаныГруппы безопасностиВоздухоотводчикиБалансировочные клапаны
      Фильтр
      По алфавиту (возрастание)
      По популярности (убывание)
      По популярности (возрастание)
      По алфавиту (убывание)
      По алфавиту (возрастание)
      По цене (убывание)
      По цене (возрастание)
      Фильтр
      Сортировка
      По алфавиту (возрастание)
      • По популярности (убывание)
      • По популярности (возрастание)
      • По алфавиту (убывание)
      • По алфавиту (возрастание)
      • По цене (убывание)
      • По цене (возрастание)
      Цена
      Розничная
      1 690
      12 765
      23 840
      34 915
      45 990
      Бренд
      Производитель
      Наши предложения
      Все
      Выбрано 0 Показать
      Выбрано 0 Показать
      Советуем
      Датчик контроля протечки воды SW005 - 10,0 Датчик контроля протечки воды SW005 - 10,0 Датчик контроля протечки воды SW005 - 10,0 Датчик контроля протечки воды SW005 - 10,0
      Датчик контроля протечки воды SW005 - 10,0
      Есть в наличии: 31
      2 490 ₽/шт
      Варианты цен
      2 490 ₽/шт
      Подробности
      В корзинуВ корзине
      Советуем
      Датчик контроля протечки воды SW005 - 5,0 Датчик контроля протечки воды SW005 - 5,0 Датчик контроля протечки воды SW005 - 5,0 Датчик контроля протечки воды SW005 - 5,0
      Датчик контроля протечки воды SW005 - 5,0
      Есть в наличии: 18
      1 990 ₽/шт
      Варианты цен
      1 990 ₽/шт
      Подробности
      В корзинуВ корзине
      Советуем
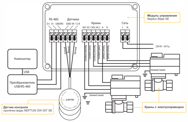
      Датчик контроля протечки воды SW007 Датчик контроля протечки воды SW007 Датчик контроля протечки воды SW007 Датчик контроля протечки воды SW007
      Датчик контроля протечки воды SW007
      Есть в наличии: 4
      1 690 ₽/шт
      Варианты цен
      1 690 ₽/шт
      Подробности
      В корзинуВ корзине
      Новинка
      Советуем
      Кран с электроприводом Neptun Bugatti Click (СЪЁМ. БЛОК) 12В 1/2 Кран с электроприводом Neptun Bugatti Click (СЪЁМ. БЛОК) 12В 1/2 Кран с электроприводом Neptun Bugatti Click (СЪЁМ. БЛОК) 12В 1/2 Кран с электроприводом Neptun Bugatti Click (СЪЁМ. БЛОК) 12В 1/2 Кран с электроприводом Neptun Bugatti Click (СЪЁМ. БЛОК) 12В 1/2
      Кран с электроприводом Neptun Bugatti Click (СЪЁМ. БЛОК) 12В 1/2
      Есть в наличии: 2
      10 990 ₽/шт
      Варианты цен
      10 990 ₽/шт
      Подробности
      В корзинуВ корзине
      Новинка
      Советуем
      Кран с электроприводом Neptun Bugatti Click (СЪЁМ. БЛОК) 12В 3/4 Кран с электроприводом Neptun Bugatti Click (СЪЁМ. БЛОК) 12В 3/4 Кран с электроприводом Neptun Bugatti Click (СЪЁМ. БЛОК) 12В 3/4 Кран с электроприводом Neptun Bugatti Click (СЪЁМ. БЛОК) 12В 3/4 Кран с электроприводом Neptun Bugatti Click (СЪЁМ. БЛОК) 12В 3/4
      Кран с электроприводом Neptun Bugatti Click (СЪЁМ. БЛОК) 12В 3/4
      Есть в наличии: 4
      10 990 ₽/шт
      Варианты цен
      10 990 ₽/шт
      Подробности
      В корзинуВ корзине
      Новинка
      Советуем
      Кран с электроприводом Neptun Bugatti Pro 220В  1/2" Кран с электроприводом Neptun Bugatti Pro 220В  1/2" Кран с электроприводом Neptun Bugatti Pro 220В  1/2"
      Кран с электроприводом Neptun Bugatti Pro 220В 1/2"
      Есть в наличии: 7
      9 990 ₽/шт
      Варианты цен
      9 990 ₽/шт
      Подробности
      В корзинуВ корзине
      Новинка
      Советуем
      Кран с электроприводом Neptun Bugatti Pro 220В  3/4" Кран с электроприводом Neptun Bugatti Pro 220В  3/4" Кран с электроприводом Neptun Bugatti Pro 220В  3/4"
      Кран с электроприводом Neptun Bugatti Pro 220В 3/4"
      Есть в наличии: 15
      9 990 ₽/шт
      Варианты цен
      9 990 ₽/шт
      Подробности
      В корзинуВ корзине
      Советуем
      Модуль управления Neptun Base (220В) Модуль управления Neptun Base (220В) Модуль управления Neptun Base (220В) Модуль управления Neptun Base (220В)
      Модуль управления Neptun Base (220В)
      Есть в наличии: 4
      4 990 ₽/шт
      Варианты цен
      4 990 ₽/шт
      Подробности
      В корзинуВ корзине
      Советуем
      Модуль управления Neptun Smart Tuya (12В) Модуль управления Neptun Smart Tuya (12В) Модуль управления Neptun Smart Tuya (12В) Модуль управления Neptun Smart Tuya (12В) Модуль управления Neptun Smart Tuya (12В)
      Модуль управления Neptun Smart Tuya (12В)
      Есть в наличии: 2
      15 719.99 ₽/шт
      Варианты цен
      15 719.99 ₽/шт
      Подробности
      В корзинуВ корзине
      Новинка
      Советуем
      Радиодатчик Neptun Smart 868.2 Радиодатчик Neptun Smart 868.2 Радиодатчик Neptun Smart 868.2 Радиодатчик Neptun Smart 868.2 Радиодатчик Neptun Smart 868.2
      Радиодатчик Neptun Smart 868.2
      Есть в наличии: 35
      5 990 ₽/шт
      Варианты цен
      5 990 ₽/шт
      Подробности
      В корзинуВ корзине
      Советуем
      Система Neptun Base Light 1" (220В) Система Neptun Base Light 1" (220В) Система Neptun Base Light 1" (220В)
      Система Neptun Base Light 1" (220В)
      Есть в наличии: 4
      19 990 ₽/шт
      Варианты цен
      19 990 ₽/шт
      Подробности
      В корзинуВ корзине
      Советуем
      Система Neptun Base Light 3/4" (220В) Система Neptun Base Light 3/4" (220В) Система Neptun Base Light 3/4" (220В)
      Система Neptun Base Light 3/4" (220В)
      Есть в наличии: 4
      17 990 ₽/шт
      Варианты цен
      17 990 ₽/шт
      Подробности
      В корзинуВ корзине
      Советуем
      Система Neptun Bugatti Base 1/2" (220В) Система Neptun Bugatti Base 1/2" (220В) Система Neptun Bugatti Base 1/2" (220В) Система Neptun Bugatti Base 1/2" (220В)
      Система Neptun Bugatti Base 1/2" (220В)
      Есть в наличии: 17
      24 990 ₽/шт
      Варианты цен
      24 990 ₽/шт
      Подробности
      В корзинуВ корзине
      Советуем
      Система Neptun Bugatti Base 3/4 (220В) Система Neptun Bugatti Base 3/4 (220В) Система Neptun Bugatti Base 3/4 (220В) Система Neptun Bugatti Base 3/4 (220В)
      Система Neptun Bugatti Base 3/4 (220В)
      Есть в наличии: 3
      24 990 ₽/шт
      Варианты цен
      24 990 ₽/шт
      Подробности
      В корзинуВ корзине
      Советуем
      Система Neptun Profi Smart+ Tuya 1/2" (12В) Система Neptun Profi Smart+ Tuya 1/2" (12В) Система Neptun Profi Smart+ Tuya 1/2" (12В) Система Neptun Profi Smart+ Tuya 1/2" (12В) Система Neptun Profi Smart+ Tuya 1/2" (12В)
      Система Neptun Profi Smart+ Tuya 1/2" (12В)
      Есть в наличии: 5
      45 990 ₽/шт
      Варианты цен
      45 990 ₽/шт
      Подробности
      В корзинуВ корзине
      Советуем
      Система Neptun Profi Smart+ Tuya 3/4" (12В) Система Neptun Profi Smart+ Tuya 3/4" (12В) Система Neptun Profi Smart+ Tuya 3/4" (12В) Система Neptun Profi Smart+ Tuya 3/4" (12В) Система Neptun Profi Smart+ Tuya 3/4" (12В)
      Система Neptun Profi Smart+ Tuya 3/4" (12В)
      Есть в наличии: 2
      45 990 ₽/шт
      Варианты цен
      45 990 ₽/шт
      Подробности
      В корзинуВ корзине
      Советуем
      Кран с электроприводом Neptun PROFI 12В 1/2 Кран с электроприводом Neptun PROFI 12В 1/2 Кран с электроприводом Neptun PROFI 12В 1/2 Кран с электроприводом Neptun PROFI 12В 1/2 Кран с электроприводом Neptun PROFI 12В 1/2
      Кран с электроприводом Neptun PROFI 12В 1/2
      Нет в наличии
      8 990 ₽/шт
      Варианты цен
      8 990 ₽/шт
      Подробности
      Под заказ
      Наши менеджеры обязательно свяжутся с вами и уточнят условия заказа
      Советуем
      Система Neptun PROFI Base 1/2" Система Neptun PROFI Base 1/2" Система Neptun PROFI Base 1/2"
      Система Neptun PROFI Base 1/2"
      Нет в наличии
      23 490 ₽/шт
      Варианты цен
      23 490 ₽/шт
      Подробности
      Под заказ
      Наши менеджеры обязательно свяжутся с вами и уточнят условия заказа
      Советуем
      Система защиты от протечки Neptun Aquacontrol 1/2 Система защиты от протечки Neptun Aquacontrol 1/2 Система защиты от протечки Neptun Aquacontrol 1/2
      Система защиты от протечки Neptun Aquacontrol 1/2
      Нет в наличии
      16 500 ₽/шт
      Варианты цен
      16 500 ₽/шт
      Подробности
      Под заказ
      Наши менеджеры обязательно свяжутся с вами и уточнят условия заказа
      Каталог
      Акции
      Услуги
      Бренды
      Компания
      О компании
      Новости
      Контакты
      Информация
      Магазины
      Условия оплаты
      Условия доставки
      Политика
      Помощь
      Вопрос-ответ
      Техническая документация
      +7 (831) 469-05-06
      +7 (831) 469-05-06Н.Новгород, ул. Ошарская, 80
      +7 (831) 463-29-49Н.Новгород, ул. Кащенко, 3
      lava@lava-nn.ru
      г. Нижний Новгород, ул. Ошарская, 80
      г. Нижний Новгород, ул. Кащенко, 3
      • Вконтакте
      • Telegram
      • WhatsApp
      2026 © Все права защищены
      Политика конфиденциальности Публичная оферта Реквизиты
      Каталог
      По всему сайту
      По каталогу